RGL32W
GENERAL
RGL32W residual current circuit breaker (hereafter simply referred to as breakers), the rated insulation voltage of the breakers is 300V. In the circuit of AC50Hz/60Hz, rated working voltage 230V or below, rated current from 15A to 32A, the breakers has function of protecting human body from electric shock and equipment from electrical leakage, and it can prevent fire caused by insulation problem of equipment.
The breakers could be installed vertically or horizontally.
The breakers comply with the demands of the following standards:
EN/IEC61008-1: Residual current operated circuit breakers without integral overcurrent protection for household and similar uses(RCCB)——Part1:General rules.
NORMAL SERVICE AND MOUNTING CONDTIONS
The ambient air temperature does not exceed +40℃ and its average over a period of 24h does not exceed +35℃,the lower limit of the ambient air temperature is -5℃.
The altitude of the site of installation does not exceed 2000m.
The relative humidity of the air does not exceed 50% at a maximum temperature of +40℃ , higher relative humidities may be permitted at lower temperature,e.g.90% at +20℃. Special measures may be necessary in cases of occasional condensation due to variations in temperature.
Pollution degree 2.
Installing category: III
There must be not any explosive medium, and there must be not any gas which would corrode metal or any conducting dust which would destory the insulation
The place would not be invaded by rain and snow.
MAIN TECHNICAL PERFORMANCE INDEX
Frame | 30 | |
Type | RGL32W | |
| Pole | 2 | |
| Wiring system | 1Φ2W | |
Rated current(A) In | 15(16),20,30(32) | |
Rated insulation voltage(VAC) Ui | 300 | |
Rated impulse withstand vol(V) Uimp | 4000 | |
Rated operational voltage(VAC) Ue | 230 | |
Making and breaking capacity(A) Im | 500 | |
Conditional short-circuit current(A) Inc | 1500 | |
| Rated residual operating current(mA) I△n | 15,30 | |
| Rated residual non- operating current(mA) I△no | 50%I△n | |
| Residual current off-time at I△n (sec) | ≯ 0.1 | |
Comply standards | IEC61008-1 | |
Operational performance(times) | Mechanical life | 8500 |
| Electrical life | 1500 | |
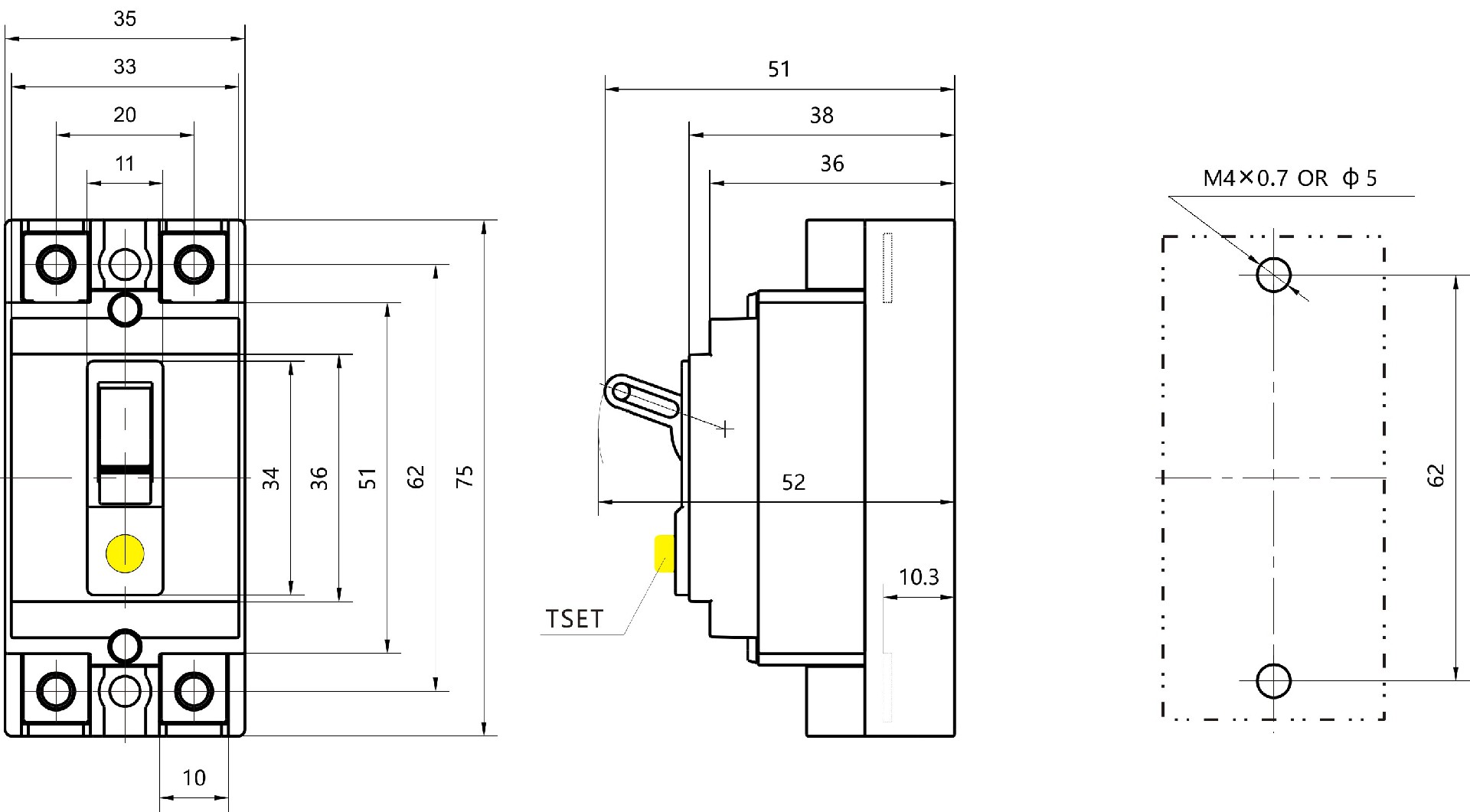
Outline dimensions(mm) | ||
| W | 35 | |
| H1 | 36 | |
| H2 | 38 | |
| H | 51 | |
| Connection | Screw | √ |
| Lug | √ | |
| Mounting(standard) | Screw fixed | |
OUTLINE AND MOUNTING DIMENSIONS








