概述
RGM2L-225漏电断路器(以下简称断路器), 其额定绝缘电压为690V, 适用于交流50Hz/60Hz, 额定工作电压415V及以下 ,额定工作电流 125A 至 225A的电路中, 断路器除具有过载及短路保护功能外,也可作人身触电及设备漏电保护之用,还可防止因设备绝缘损坏产生接地故障而引起的火灾危险。
断路器可垂直安装,亦可水平安装。
断路器具有隔离功能,相应的符号为:
。
断路器符合下列标准
GB14048.1 低压开关设备和控制设备——第一部分:总则
GB/T14048.2 低压开庆设备和控制设备 ——第二部分:断路器
正常工作条件
周围空气温度不高过+40℃和不低于-5℃,且在24h内的平均温度不超过+35℃。
安装地点的海拔不超过2000m。
安装地点的空气相对湿度在最高温度为+40℃时不超过50%,在较低温度下可以允许的较高的相对湿度,例如
20℃时达90%。对于温度变化偶尔产生的凝露应采取特殊措施。
污染等级为3级。
断路器主电路安装类别为Ⅲ,其余辅助电路、控制电路安装类别为Ⅱ。
断路器适用于电磁环境A。
断路器应安装在无爆炸危险和无导电尘埃、无足以腐蚀金属和破坏绝缘的地方。
断路器应安装在没有雨雪侵袭地方。
结构介绍
主要技术性能指标
壳架 | 225 | |||
型号 | RGM2L-203 | RGM2L-204 | ||
极数 | 3 | 4 | ||
额定电流(A) In | 125、150、175、200、225 | |||
额定绝缘电压(V) Ui | AC690 | |||
额定冲击耐受电压 (V) Uimp | 6000 | |||
额定工作电压 (VAC) Ue | AC415 | |||
| 额定极限短路分断能力 (kA) Icu | AC415V | 25 | ||
额定运行短路分断能力 Ics(%Icu) | 50 | |||
额定剩余短路分断能力 I△m(%Icu) | 25 | |||
飞弧距离 (mm) | ≯50 | |||
使用类别 | A | |||
额定剩余动作电流 I△n(mA) | 固定式 | 30、100、200、500 | ||
可调节 | 100/200/500 | |||
额定剩余不动作电流 I△no(mA) | 0.5I△n | |||
最大断开时间 2I△n(s) | 0.1 | |||
过电流脱扣类型 | 压磁式 | |||
短路保护动作电流 (A) | (8~12)In | |||
符合标准 | GB14048.2 | |||
操作性能 (次数) | 机械寿命 | 7000 | ||
电寿命 | 1000 | |||
外形尺寸(mm) |
| L | 165 | |
W | 105 | 140 | ||
H | 60 | |||
注1:RGM2L-225断路器不允许反向接线,只允许进线端与电源侧连接,负载端与负载连接。
注2:RGM2 L -203 和 RGM2 L -204 漏电跳闸装置的电子电路采用A、C相供电。
注3:RGM2L-204 断路器的N极不允许与PEN线和PE线连接,否则会造成断路器误动作。
注4:当RGM2L-203 断路器接三相负载时,负载不能有零线,否则断路器会误动作。
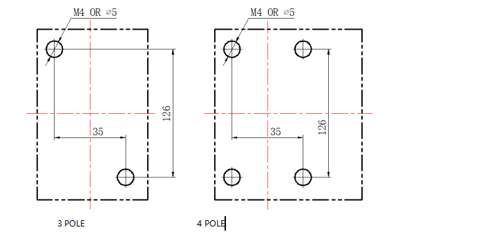
外形尺寸和安装尺寸
外形尺寸

延伸导体尺寸

面板开孔尺寸










